1. Introduzione
This manual provides detailed instructions for the installation, operation, and maintenance of your Planet Audio AC1200.2 2-Channel Car Amplifier. The AC1200.2 is a Class A/B amplifier designed to deliver high output audio performance for your vehicle's sound system. Please read this manual thoroughly before attempting installation or operation to ensure proper use and to prevent damage.

Immagine 1.1: anteriore view of the Planet Audio AC1200.2 2-Channel Car Amppiù vivace.
2. Informazioni sulla sicurezza
Installazione o utilizzo improprio di questo amplifier can result in serious injury or damage to the unit or vehicle. Always adhere to the following safety guidelines:
- Installazione professionale consigliata: For optimal performance and safety, professional installation by an authorized Planet Audio dealer is strongly recommended.
- Connessioni di alimentazione: Ensure all power connections are secure and properly fused. Incorrect wiring can cause fire or electrical shock.
- Impedenza dell'altoparlante: Verificare che l'impedenza dell'altoparlante corrisponda a amplifier's specifications (2 Ohm stable). Connecting speakers with lower impedance can damage the amppiù vivace.
- Ventilazione: Montare il amplifier in a location that allows for adequate air circulation to prevent overheating. Do not block cooling fins.
- Evitare l'umidità: Non esporre il amplificatore all'umidità o all'acqua.
- Scollegare la batteria: Prima di iniziare qualsiasi lavoro elettrico, scollegare sempre il terminale negativo della batteria del veicolo.
3. Caratteristiche del prodotto
The Planet Audio AC1200.2 amplifier incorporates several features designed for enhanced audio performance and reliability:
- Potenza in uscita: Delivers 600 Watts Max x 2 @ 2 Ohms, 300 Watts Max x 2 @ 4 Ohms, and 1200 Watts Max Bridged x 1 @ 4 Ohms.
- Topologia di classe A/B: Utilizes Class A/B amplifier design, balancing efficiency and sound quality.
- Full Range Operation: Capable of powering both full-range speakers and subwoofers.
- Variable Gain Control: Allows adjustment of the input signal level to match the output of your head unit.
- Ingressi di basso e alto livello: Supports both RCA (low-level) and speaker wire (high-level) input signals.
- Crossover passa-alto variabile: Filters out low frequencies to protect speakers and improve sound clarity.
- Ponticellabile: Enables combining two amplifier channels for increased power output to a single speaker or subwoofer.
- Alimentazione MOSFET: Features a robust MOSFET power supply for efficient and stable power delivery.
- 2 Ohm stabile: Designed to operate safely with speaker loads down to 2 Ohms per channel.
- Protezione breve: Built-in circuitry protects the amplifier from short circuits.
- Switchable Input Sensitivity: Provides flexibility for matching various head unit output levels.
- Controllo remoto del livello del subwoofer: Allows convenient adjustment of subwoofer output from the driver's seat.

Alimentazione MOSFET

Variable LP Filter

Potenziamento dei bassi variabile

Stabile a 2 Ohm

Protezione breve

Switchable Input Sensitivity

Remote Sub Control

collegabile
4. Installazione
4.1 Lista di controllo pre-installazione
- Assicurarsi che la batteria del veicolo sia scollegata.
- Gather all necessary tools and wiring materials (power wire, ground wire, remote turn-on wire, speaker wire, RCA cables, fuse holder, fuse).
- Plan the amplifier mounting location, ensuring adequate ventilation and protection from moisture.
4.2 Montaggio del Amppiù vivace
Choose a secure, dry location with sufficient airflow. Avoid mounting on carpet or in enclosed spaces without ventilation. Use the provided mounting hardware to secure the amplifier saldamente a una superficie solida del veicolo.
4.3 Collegamenti di cablaggio
Refer to the wiring diagram below for proper connection of power, ground, remote turn-on, and speaker wires.

Immagine 4.1: Passoview of ampcollegamenti del filtro.
4.3.1 Collegamento di alimentazione (+12V)
- Connect a heavy gauge power cable (e.g., 4-gauge) directly from the positive terminal of the vehicle's battery to the +12V terminal on the amppiù vivace.
- Install an in-line fuse holder with an appropriate fuse (e.g., 75 Amps) within 18 inches (45 cm) of the battery.
4.3.2 Collegamento a terra (GND)
- Connect a heavy gauge ground cable (e.g., 4-gauge) from the GND terminal on the amplifier to a clean, unpainted metal surface of the vehicle's chassis.
- Ensure the ground point is free of paint, rust, or dirt for a good electrical connection.
4.3.3 Connessione di accensione remota (REM)
- Connect a smaller gauge wire (e.g., 18-gauge) from the remote turn-on output of your head unit to the REM terminal on the amppiù vivace.
- This wire signals the amplifier per accendere e spegnere con l'unità principale.
4.3.4 Collegamenti degli altoparlanti
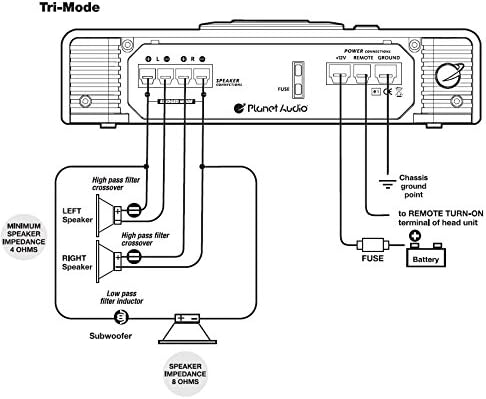
- Connect your speakers to the SPEAKER CONNECTIONS terminals.
- For stereo operation, connect one speaker to the L+ and L- terminals and another to the R+ and R- terminals.
- For bridged mode (mono operation for a subwoofer), connect the subwoofer to the L+ and R- terminals. Ensure the subwoofer impedance is 4 Ohms for bridged mode.
4.3.5 Input Connections (RCA or High-Level)
- RCA Inputs (Low-Level): Connect RCA cables from the head unit's RCA outputs to the INPUTS R and L jacks on the amppiù vivace.
- Ingressi di alto livello: If your head unit does not have RCA outputs, use the HIGH LEVEL INPUTS. Connect the speaker wires from the head unit to the corresponding terminals.

Image 4.2: Tri-Mode wiring diagram for speaker and subwoofer connections.
5. Controlli operativi
The AC1200.2 amplifier features several controls for fine-tuning your audio system. These controls are located on the amplifier's input panel.

Immagine 5.1: Amplifier control panel showing input and crossover adjustments.
5.1 Controlli di input
- SENSITIVITY (Gain Control): Questa manopola regola la sensibilità di ingresso del amplifier per abbinare il volume di uscitatage of your head unit. Start with the gain at minimum and slowly increase it until the desired volume is achieved without distortion. This is not a volume control.
- AUMENTO DEI BASSI: Adjusts the bass level at a specific frequency. Use sparingly to avoid distortion.
5.2 Crossover Controls
- MODE Switch (FULL/HPF/LPF): Selects the operating mode for the crossover filter.
- PIENO: Full range audio signal passes through.
- HPF (filtro passa alto): Permette il passaggio delle frequenze superiori al punto di regolazione. Utile per altoparlanti full-range per prevenire distorsioni a bassa frequenza.
- LPF (filtro passa basso): Permette il passaggio delle frequenze inferiori al punto di regolazione. Essenziale per i subwoofer.
- HIGH PASS FREQ: Adjusts the cutoff frequency for the High Pass Filter.
- LOW PASS FREQ: Adjusts the cutoff frequency for the Low Pass Filter.
5.3 Remote Subwoofer Level Control
The included remote subwoofer level control allows you to adjust the subwoofer output from your listening position. Connect it to the 'REMOTE SUBWOOFER LEVEL CONTROL' port on the amplifier utilizzando il cavo in dotazione.

Image 5.2: Remote Subwoofer Level Control unit.
6. Specifiche
The following table outlines the technical specifications for the Planet Audio AC1200.2 amplificatore:
| Specificazione | Valore |
|---|---|
| Dimensioni articolo (L x P x A) | 12 x 10 x 2.4 pollici |
| Voltage | 16 Volt |
| Tipo di montaggio | Montaggio in superficie |
| Numero di canali | 2 |
| Potenza di uscita | 1200 Watt (massimo) |
| Corrente di alimentazione | 75 Amps |
| Materiale | Lega di alluminio |
| Peso dell'articolo | 7.5 libbre |
| Colore | Nero |
7. Risoluzione Dei Problemi
Se riscontri problemi con il tuo amplifier, consultare la seguente guida alla risoluzione dei problemi:
- Nessun potere:
- Check the in-line fuse near the battery. Replace if blown.
- Verify all power, ground, and remote turn-on connections are secure and properly wired.
- Ensure the remote turn-on wire is receiving +12V from the head unit when it is on.
- Nessun suono:
- Confermare il amplifier is powered on (power indicator light is illuminated).
- Check all RCA or high-level input connections from the head unit to the amppiù vivace.
- Verify speaker wire connections at both the amplificatore e gli altoparlanti.
- Adjust the gain control. Ensure it is not set to minimum.
- Check head unit settings (volume, fader, balance).
- Suono distorto:
- Reduce the gain control setting. Excessive gain can cause distortion.
- Check speaker impedance. Ensure it is within the amplifier's acceptable range.
- Verify speaker wires are not shorted or touching the vehicle chassis.
- Adjust Bass Boost settings. High bass boost can cause distortion.
- Amplifier Overheating / Protection Mode:
- Assicurare il amplifier has adequate ventilation. Clear any obstructions around the cooling fins.
- Check speaker impedance. Running speakers below the minimum recommended impedance (e.g., below 2 Ohms stereo or 4 Ohms bridged) can cause overheating.
- Verify power and ground wire gauge is sufficient for the ampla potenza erogata dal lifier.
- Ridurre l'impostazione del guadagno.
8. Manutenzione
To ensure the longevity and optimal performance of your Planet Audio AC1200.2 amplifier, segui queste semplici linee guida per la manutenzione:
- Pulizia: Pulire periodicamente il ampl'esterno del filtro con un panno morbido e asciutto. Evitare l'uso di prodotti chimici aggressivi o detergenti abrasivi.
- Ventilazione: Controllare regolarmente che il amplifier's cooling fins are free from dust, dirt, or obstructions. Ensure proper airflow around the unit.
- Verifiche della connessione: Occasionally inspect all wiring connections (power, ground, remote, speaker, RCA) to ensure they remain tight and free from corrosion.
- Protezione ambientale: Mantieni il amplifier away from direct sunlight, extreme temperatures, and moisture.
9. Garanzia e supporto
Planet Audio fornisce un Garanzia Platinum Online Dealer di 6 anni for this product when purchased through Amazon.com. This warranty covers defects in materials and workmanship under normal use.
For technical support, warranty claims, or further assistance, please contact Planet Audio customer service or visit their official website. It is recommended to have your purchase details and product model number (AC1200.2) available when seeking support.





