1. Introduzione
This manual provides essential information for the installation, operation, and maintenance of the Danfoss TS2 Expansion Valve Body, model 068Z3400. This valve is designed for use with R-404A refrigerant in various refrigeration applications, including traditional refrigeration, self-contained refrigerators, transport refrigeration, and supermarket refrigeration systems. The functional valve consists of a valve body and a separately sold orifice, which determines the nominal capacity.

Figura 1: Danfoss TS2 Expansion Valve Body. This image displays the complete valve assembly, including the brass valve body, the stainless steel capillary tube, and the sensing bulb.
2. Informazioni sulla sicurezza
Always adhere to local and national safety regulations when installing, operating, or servicing refrigeration equipment. Ensure that only qualified personnel perform work on the system. Wear appropriate personal protective equipment (PPE) such as safety glasses and gloves.
AVVERTIMENTO: Questo prodotto potrebbe esporvi a sostanze chimiche che lo Stato della California ritiene possano causare cancro e danni riproduttivi. Per ulteriori informazioni, visitare il sito P65 Avvertenze.ca.gov.
3. Componenti e caratteristiche del prodotto
The Danfoss TS2 Expansion Valve Body is engineered with several key features for reliable performance:
- Hermetic, Laser Welded Power Head: Features a non-replaceable stainless steel power head for enhanced durability and leak prevention.
- Laser Engraved Product Information: Provides lasting identification of the valve type directly on the component.
- Flare Inlet and Outlet Connections: Designed for easy and secure connection to refrigeration lines. Flare/solder adapters are available as additional accessories.
- Replaceable Orifice Assembly: Includes a dirt-protection filter to ensure clean operation and extend valve life.

Figura 2: Diagram illustrating the key features and internal components of the Danfoss TS2 Expansion Valve, including the robust stainless steel capillary tube, sensing bulb, hermetic power head, flare connections, adjustable superheat mechanism, and replaceable orifice assembly.
4. Specifiche tecniche
Below are the technical specifications for the Danfoss TS2 Expansion Valve Body (Model 068Z3400):
| Specificazione | Dettaglio |
|---|---|
| Numero di modello | 068Z3400 |
| Refrigerante | R-404A |
| Equalization Type | Internal Equalization |
| Collegamento di ingresso | 3/8 inch Flare |
| Collegamento alla presa | 1/2 inch Flare |
| Materiale | Stainless Steel (Power Head), Brass (Body) |
| Nominal Capacity Range | 1/6 to 4-1/2 tons (determined by orifice size) |
| Peso dell'articolo | 10.9 once (circa 0.31 kg) |
| Dimensioni del prodotto (L x P x A) | 3 x 3.63 x 2.75 pollici (circa 7.62 x 9.21 x 6.99 cm) |
| Numero di porte | 2 |
| Specifica Met | ASME, ISO 9001 |

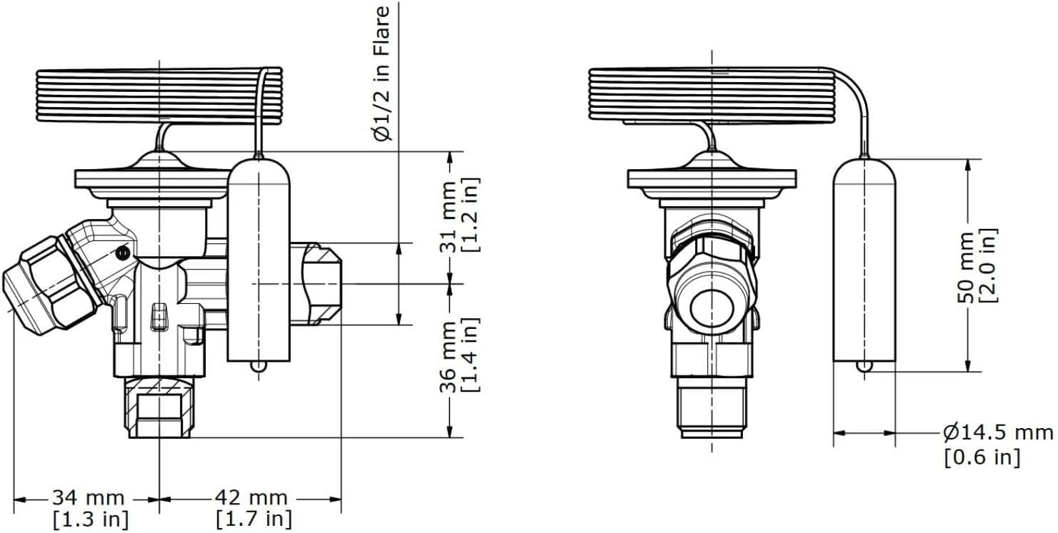
Figura 3: Dimensional drawing of the Danfoss TS2 Expansion Valve, showing key measurements in both millimeters and inches for installation planning.
5. Installazione e configurazione
5.1 Orifice Selection
The nominal capacity of the TS2 valve is determined by the orifice size, which is sold separately. To select the correct orifice, use one of the following methods:
- System Characteristics: Select the orifice using appropriate refrigerant, evaporator temperature, and system capacity requirements.
- Nominal Capacity of Installed Valve: Match the nominal capacity of the originally installed valve with the capacity chart provided. If an exact match is not found, use the next larger orifice size.

Figura 4: Orifice selection table for Danfoss T2/TE2 valves with R-404A refrigerant, showing nominal capacity in tons based on orifice code and evaporator temperature.
5.2 Connessione
The valve body features flare inlet and outlet connections. Ensure proper sealing and torque when connecting to refrigeration lines. Flare/solder adapters are available as optional accessories if needed for your system.
6. Funzionamento e regolazione
6.1 Superheat Adjustment
The superheat setting can be adjusted to optimize system performance. Make adjustments in small increments to avoid over-correction:
- Adjust superheat 1/4 turn at a time. Each 1/4 turn typically equals approximately 1.75°F (1°C) change in superheat.
- Turning the adjustment screw clockwise increases superheat.
- Turning the adjustment screw counter-clockwise decreases superheat.
Allow the system to stabilize after each adjustment before making further changes.

Figura 5: Product packaging showing diagrams related to superheat adjustment and factory settings, along with general product information and warnings.
7. Manutenzione
The Danfoss TS2 Expansion Valve is designed for long-term reliability. Key maintenance considerations include:
- Gruppo dell'orifizio: The valve features a replaceable orifice assembly with a dirt-protection filter. Regular inspection and replacement of the orifice and filter, as needed, can help maintain optimal performance and prevent system contamination.
- Controlli delle perdite: Periodically check all connections for refrigerant leaks using appropriate leak detection methods.
- Pulizia del sistema: Ensure the refrigeration system remains clean and free of contaminants to prevent blockages and damage to the valve.
8. Risoluzione Dei Problemi
If the refrigeration system is not performing as expected, consider the following general troubleshooting steps:
- Incorrect Superheat: Verify and adjust the superheat setting as described in Section 6.1.
- Orifice Blockage: A clogged orifice or filter can restrict refrigerant flow. Inspect and clean or replace the orifice assembly if necessary.
- Carica di refrigerante: Ensure the system has the correct refrigerant charge. Both undercharge and overcharge can affect valve performance.
- External Equalization Line (if applicable): For valves with external equalization, ensure the equalization line is properly connected and free of obstructions. (Note: This specific model has internal equalization).
- Posizionamento della lampadina di rilevamento: Ensure the sensing bulb is securely attached to the suction line in the correct position and insulated properly.
For complex issues, consult a qualified HVAC/R technician.
9. Supporto e risorse
For additional support, product information, or to explore other Danfoss refrigeration components, please visit the official Danfoss websito o contattare il loro servizio clienti.
- Danfoss Store: Visita il negozio Danfoss su Amazon
- Identificazione prodotto: The valve features laser-engraved product information for lasting identification of the valve type and model number (068Z3400).
- KoolApp: For further technical information and tools, you may find the Danfoss KoolApp useful. More details can be found via the QR code on the product packaging or by visiting http://SCN.BY/9T7N6HN0RDQP3T.
10. Informazioni sulla garanzia
Specific warranty terms and conditions for the Danfoss TS2 Expansion Valve Body are typically provided at the point of purchase or can be found on the official Danfoss website. Please retain your proof of purchase for warranty claims. For detailed warranty information, refer to the documentation included with your product or contact Danfoss directly.





