Introduzione
The GROHE Rapido Smartbox is a universal concealed installation unit designed for shower systems. This unit provides a robust and versatile foundation for various shower configurations, ensuring reliable water delivery and temperature control. Its compact design allows for flexible installation within wall structures.
Le caratteristiche principali includono:
- 3 outlets 1/2 inch.
- Installation depth 75-105 mm.
- Pretensioning stopper preassembled.
- Stable installation box and protective cap.
Figura 1: Esample of a GROHE shower system installed with the Rapido Smartbox.
Configurazione e installazione
Proper installation of the GROHE Rapido Smartbox is crucial for optimal performance and longevity. This section provides an overview of the installation process. It is recommended that installation be performed by a qualified professional.
Installation Unit Overview
Figure 2: The GROHE Rapido Smartbox unit with its protective cover and mounting plate.
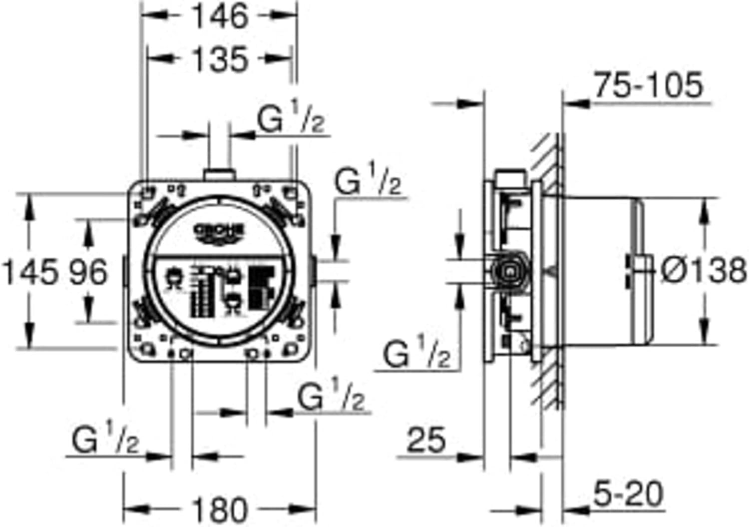
Rough-in Dimensions and Depth
The installation depth for the Smartbox is between 75mm and 105mm (approximately 3 to 4.1 inches). Ensure your wall cavity accommodates these dimensions. The unit features a pretensioning stopper for secure mounting.
Figure 3: Rough-in depth markings on the Smartbox, indicating minimum 75mm and maximum 105mm.
Figura 4: in alto view of the Smartbox showing the rough-in depth indicators and adjustment capabilities.
Figure 5: Detailed technical drawing with all relevant dimensions for precise installation.
Collegamenti delle tubazioni
The Smartbox features three 1/2 inch outlets for connecting to various shower components (e.g., showerhead, hand shower, body jets). Hot and cold water inlets are clearly marked. Refer to the piping matrix on the protective cap for different configurations.
Figure 6: The Smartbox with its protective cover displaying the piping matrix for various configurations.
Video di installazione
Video 1: About the GROHE Rapido SmartBox. This video provides an overview of the SmartBox and its features, including installation considerations.
Video 2: GROHE Rapido Compress video. This video demonstrates the installation process of the GROHE Rapido SmartBox.
Video 3: XH3C-12Y8 Shower Faucet Set. This video illustrates the installation of a shower faucet set, including the rough-in box and connections.
Operating the Shower System
Once the GROHE Rapido Smartbox is installed and the trim kit is in place, operating your shower system is intuitive. The specific functions will depend on the chosen trim kit (e.g., Grohtherm SmartControl).
SmartControl Operation
The SmartControl trim allows for intuitive push-and-turn control. Push a button to select your desired spray source (e.g., showerhead, hand shower, body jets) and turn to adjust the water volume. The main dial controls the water temperature.
Video 4: GROHE Grohtherm SmartControl Thermostat. This video demonstrates the intuitive push-and-turn operation of the SmartControl thermostat, allowing selection of spray sources and adjustment of water volume and temperature.
Manutenzione
To ensure the longevity and optimal performance of your GROHE Rapido Smartbox and associated trim, regular maintenance is recommended.
- Pulizia: Clean chrome surfaces regularly with a soft cloth and a mild, non-abrasive cleaner. Avoid harsh chemicals or abrasive sponges that can damage the finish.
- Ispezione: Periodically check for any leaks around the trim plate or connections. Address any issues promptly to prevent water damage.
- Cura della cartuccia: If you experience issues with water flow or temperature control, consult a professional plumber. The internal cartridge may require cleaning or replacement.
Risoluzione dei problemi
If you encounter issues with your GROHE Rapido Smartbox system, refer to the following common troubleshooting tips. For complex problems, contact a qualified plumber or GROHE customer support.
- Nessun flusso d'acqua: Check if the main water supply to your home is on. Ensure the service stops on the Smartbox are fully open.
- Temperatura dell'acqua non costante: This could indicate an issue with the thermostatic cartridge. Ensure hot and cold water supplies are correctly connected and at adequate pressure. Professional inspection may be required.
- Bassa pressione dell'acqua: Verify that the water supply pressure to the unit is sufficient. Check for any blockages in the showerhead or hand shower.
- Perdite: Tighten any visible connections carefully. If leaks persist from within the wall, professional assistance is necessary.
Specifiche
| Caratteristica | Specificazione |
|---|---|
| Marca | GROHE |
| Numero di modello | 35600000 |
| Tipo di installazione | Concealed, Screw-In |
| Dimensioni del prodotto | 7.28 x 7.28 x 6.69 pollici (18.5 x 18.5 x 17 cm) |
| Peso dell'articolo | 2.2 libbre (1 chilogrammo) |
| Materiale | Ottone, Acrilonitrile Butadiene Stirene (ABS) |
| Numero di prese | 3 (1/2 di pollice) |
| Profondità di installazione | 75-105 millimetri |
| Caratteristiche speciali | Sistema di risparmio idrico |
| Componenti inclusi | Manuale di istruzioni |
Garanzia e supporto
Per informazioni sulla garanzia e sull'assistenza clienti, fare riferimento al sito ufficiale GROHE website or contact your local GROHE dealer. Keep your purchase receipt as proof of purchase for any warranty claims.
The product includes an instruction manual for detailed guidance on installation and use.





